ZAJD电动调节蝶阀|智能电动蝶阀
 |
 |
| 电动调节蝶阀 |
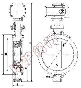
电动调节蝶阀 结构图 |
一、电动调节蝶阀 概述
电动调节蝶阀采用精密的J形弹性密封圈和三偏心多层次金属硬密封结构,被广泛用于介质温度≤425℃的治金 、电力、石油化工、以及给排水和市政建设等工业管道上,作调节流量和载断流体使用。该阀采用三偏心结构,阀座与碟板密封面均采用不同硬度和不锈钢制作,具有良好的耐腐蚀性,使用寿命长,本阀均有双向密封功能,产品符合国家GB/T13927-92阀门压力试验标准。
二、电动调节蝶阀 特点
1、本阀采用三偏心密封结构,阀座与蝶板几乎无磨损,具有越观越紧的密封功能。
2、密封圈选用不锈钢制作,具有金属硬密封和弹性密封的双重优点,无论在低温和高温的情况下,均具有优良的密封性能,具有耐腐蚀,使用寿命长等特点。
3、碟板密封面采用堆焊钴基硬质合金,密封面耐磨损,使用寿命长。
4、大规格蝶板采用绗架结构,强度高,过流面积大,流阻小。
5、本阀具有双向密封功能,安装时不受介质流向的限制,也不受空间位置的影响,可在任何方向安装。
6、驱动装置可以多工位(旋转90°或180°)安装,便于用户使用。
三、电动调节蝶阀 主要性能规范
| 公称通径DN(mm) |
50-1200 |
| 公称压力PN(MPa) |
1.0 |
1.6 |
| 公称压力PS(MPa) |
强度试验 |
1.5 |
2.4 |
| 密封试验 |
1.1 |
1.76 |
| 材料\材料代号 |
C |
P |
R |
| 主要零件 |
阀体 |
WCB |
ZG1Cr18Ni9Ti |
ZG0Cr18Ni12Mo2Ti |
| 蝶板 |
WCB |
ZG1Cr18Ni9Ti |
ZG0Cr18Ni12Mo2Ti |
| 阀杆 |
2Cr13 |
1Cr18Ni9Ti |
0Cr18Ni12Mo2Ti |
| 密封圈 |
四氟 不锈钢 |
| 填料 |
四氟 柔性石墨 |
| 适用工况 |
适用介质 |
水、蒸汽、油品 |
硝酸类 |
醋酸类 |
| 适用温度 |
-40℃~200℃(超该温度范围;订货时请注明) |
四、电动调节蝶阀 主要外形尺寸与连接尺寸( mm )
| 公称通径DN(mm) |
尺寸(mm) |
| L |
D |
D1 |
H |
H0 |
Z-Φd |
| 50 |
43 |
165 |
125 |
82 |
260 |
4-18 |
| 65 |
46 |
185 |
145 |
95 |
280 |
8-18 |
| 80 |
49 |
200 |
160 |
108 |
355 |
8-18 |
| 100 |
56 |
220 |
190 |
125 |
390 |
8-23 |
| 125 |
64 |
250 |
220 |
138 |
490 |
8-25 |
| 150 |
70 |
285 |
250 |
198 |
630 |
8-25 |
| 200 |
71 |
340 |
310 |
236 |
690 |
12-25 |
| 250 |
76 |
405 |
370 |
276 |
830 |
12-30 |
| 300 |
83 |
460 |
430 |
308 |
930 |
16-30 |
| 350 |
92 |
520 |
490 |
340 |
1010 |
16-34 |
| 400 |
102 |
580 |
550 |
374 |
1070 |
16-34 |
| 450 |
114 |
640 |
600 |
384 |
1140 |
20-34 |
| 500 |
127 |
715 |
660 |
448 |
1200 |
20-41 |
| 600 |
154 |
840 |
770 |
490 |
1340 |
20-41 |
| 700 |
165 |
910 |
875 |
542 |
1600 |
24-48 |
| 800 |
190 |
1025 |
990 |
607 |
1780 |
24-48 |
| 900 |
203 |
1125 |
1090 |
665 |
1920 |
28-54 |
| 1000 |
216 |
1255 |
1210 |
731 |
1960 |
28-58 |
| 1200 |
254 |
1485 |
1420 |
842 |
2360 |
32-58 |