yp电子刮刮卡(中国)官方网站

yp刮刮卡首页 >> 产品展示 >> 气动蝶阀 >> D643H气动多层次硬密封法兰蝶阀

D643H气动多层次硬密封法兰蝶阀

D643H气动多层次硬密封法兰蝶阀 D643H气动多层次硬密封法兰蝶阀,结构图
D643H气动多层次硬密封法兰蝶阀 D643H气动多层次硬密封法兰蝶阀 结构图

一、D643H气动多层次硬密封法兰蝶阀 概述

多层次硬密封蝶阀系列产品,系长寿命、节能型蝶阀。其结构采用三维编心原理设计,阀座采用硬软密封兼容的多层次结构,加工精湛,工艺先进。本产品由阀体、蝶板、多层次阀座、阀杆、传动机构等主要部件组成。因此被广泛地应用到冶金、电力、石油、化工、空气、煤气、可燃气体以及给排水等腐蚀性介质的管道上。

二、D643H气动多层次硬密封法兰蝶阀 特点

由于本产品蝶阀采用的是三维偏心原理设计,使密封面的空间运动轨迹达到理想化,密封面相互之间无磨擦、无干涉、加之密封材料选择得当,从而使蝶阀的密封性、耐腐蚀性、耐高温性和耐磨性等得到了可靠的保证。其主要特点如下:
1、开启力矩小,灵活方便,省力节能。
2、三维编心结构,使蝶板越关越紧,其密封性能可靠,达到无泄漏。
3、耐高压、耐腐蚀、耐磨损、使用寿命长等。

三、D643H气动多层次硬密封法兰蝶阀 采用标准

设计标准 :GB/T12238-1989;JB/T8527-1997
法兰连接尺寸:
GB/T9113.1-2000;GB/T9113.2-2000
GB/T9115.1-2000;GB/T9115.2-2000
结构长度:GB/T12221-1989
压力试验:GB/T13927-1992;JB/T9092-1999

四、D643H气动多层次硬密封法兰蝶阀 执行机构

采用新型系列GT型气动执行器,有双作用式和单作用式(弹簧复位),齿轮传动,安全可靠;大口径阀门采用系列AW型气动执行器拔叉式传动,结构合理,输出扭矩大,有双作用式和单作用式
1、齿轮式双活塞,输出力矩大,体积小。
2、气缸选用铝金材料,重量轻、外形美观。
3、可在顶部、底部安装手动操作机构。
4、齿条式连接可调节开启角度、额定流量。
5、执行器可选带电讯号反馈指示及各类附件以实现自动化操作。
6、IS05211标准连接为产品的安装更换提供了方便。
 7、两端调的节螺钉可使标准产品在0°和90°有±4°的可调范围。确保与阀门的同步精度。

五、D643H气动多层次硬密封法兰蝶阀 附件的选项

根据不同控制和要求可选择下列附件:
切断型附件:单电控电磁阀、双电控电磁阀、限位开关回讯器。
调节型附件:电气定位器、气动定位器、电气转换器。
气源处理附件:空气过滤减压阀、气源处理三联件。
手动机构:HVSD手操机构

六、D643H气动多层次硬密封法兰蝶阀 主要技术参数

公称通径 DN(mm) 50~2000 50~500
公称压力 PN(MPa) 0.6 1.0 1.6 2.5 4.0
试验压力 强度试验 0.9 1.5 2.4 3.75 6.0
密封试验 0.66 1.1 1.76 2.75 4.4
气密封试验 0.6 0.6 0.6 0.6 0.6
渗漏率 <0.1×DNmm3/s(符合GB/T13927-92标准)
适用温度 碳钢:-29℃~425℃ 不锈钢-40℃~600℃
适用介质 空气、水、蒸气、煤气、油品以及酸、碱、盐带有弱腐蚀性介质等
驱动形式 蜗杆蜗轮传动、气传动、电传动

七、D643H气动多层次硬密封法兰蝶阀 主要零件的材质

零件名称 材料
阀体 铸铁、不锈钢、铬钼钢、合金钢
蝶板 铸钢、合金钢、不锈钢、铬钼钢
密封圈 不锈钢与耐高温石棉板组合成多层次
阀杆 2Cr13、1Cr13不锈钢、铬钼钢
轴承 奥氏体不锈钢、304氮化
填料 柔性石墨

八、D643H气动多层次硬密封法兰蝶阀 三偏心特点及原理

1、偏离管道中心
2、偏离密封面中心
3、倾斜的锥形
 当阀门开启时,蝶板与阀座在关闭时瞬间接触,利用蝶板偏心1、偏心2迅速脱离阀座,降低了密封副的磨损,磨擦力矩小,开启灵活。偏心锥面3,使阀门在开启或关闭时蝶板能通过阀座内孔,实现接触密封。另外,锥形蝶板的旋转半径大于密封副接触位置的旋转半径,故蝶板在阀门关闭时将出现越关越紧,能够实现自锁,防止蝶板过位。

D643H气动多层次硬密封法兰蝶阀三偏心原理

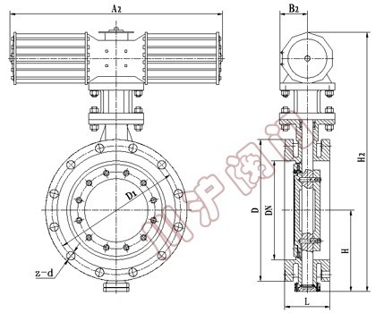
九、D643H气动多层次硬密封法兰蝶阀 外形尺寸

Dd 3 43H- 6 C.P.R.V系列法兰式多层次金属硬密封蝶阀
6
9 10
公称通径 长度 标准值 外形尺寸 (参考值) 连接尺寸 (标准值) 重量 (kg)
L H Dd343H Dd643H Dd943H PN0.6MPa PN1.0MPa
毫米 英寸 H1 A1 B1 H2 A2 B2 H3 A3 B3 D D1 Z-d D D1 Z-d
50 2 108 150 112 350 180 200 625 245 72 530 250 255 140 110 4-14 165 125 4-18 17
65 21/2 112 170 115 370 180 200 625 245 72 530 250 255 160 130 4-14 185 145 4-18 20
80 3 114 180 120 380 180 200 645 245 72 565 250 255 190 150 4-18 200 160 8-18 23
100 4 127 190 138 420 180 200 675 355 92 600 250 255 210 170 4-18 220 180 8-18 25
125 5 140 200 164 460 180 200 715 355 92 640 250 255 240 200 8-18 250 210 8-18 40
150 6 140 210 175 555 270 280 800 355 92 705 300 315 265 225 8-18 285 240 8-22 47
200 8 152 230 200 760 400 425 850 250 170 775 300 315 320 280 8-18 340 295 8-22 60
250 10 165 250 243 830 400 425 925 250 170 945 300 315 375 335 12-18 395 350 12-22 95
300 12 178 270 250 895 450 560 1035 450 220 1070 300 315 400 395 12-22 445 400 12-22 124
350 14 190 290 280 950 450 560 1070 450 220 1140 300 315 490 445 12-22 505 460 16-22 181
400 16 216 310 305 1190 535 580 1190 450 220 1210 300 315 540 495 16-22 565 515 16-26 260
450 18 222 330 350 1255 535 580 1250 650 280 1335 575 714 595 550 16-22 615 565 20-26 338
500 20 229 350 380 1305 535 580 1290 650 280 1415 575 714 645 600 20-22 670 620 20-26 360
600 24 267 390 445 1340 570 660 1455 850 380 1605 656 810 755 705 20-26 780 725 20-30 540
700 28 292 430 480 1520 750 550 1585 850 380 1844 656 810 860 810 24-26 895 840 24-30 580
800 32 318 470 530 1710 750 550 1700 1250 380 2040 656 810 975 920 24-30 1015 950 24-33 845
900 36 330 510 580 1810 750 550 1965 1250 380 2255 785 863 1075 1020 24-30 1115 1050 28-33 1050
1000 40 410 550 650 1960 900 750 2015 1250 380 2380 785 863 1175 1120 28-30 1230 1160 28-36 1500
1200 48 470 630 760 2250 1000 925 2250 1250 380 2640 785 863 1405 1340 32-33 1455 1380 32-39 2000
1400 56 530 710 850 2435 1000 925 2886 1630 1560 36-36 1675 1590 36-42 3000
1600 64 600 790 1030 2780 1000 925 3156 1830 1760 40-36 1915 1820 40-48 4700
1800 72 670 870 1230 3020 1100 980 3421 2045 1970 44-39 2115 2020 44-48 6500
2000 80 760 950 1350 3270 1100 980 3685 2265 2180 48-42 2325 2230 48-48 8700

Dd
3
6
9
43H-
16
25
C.P.R.V系列法兰式多层次金属硬密封蝶阀
公称通径 长度 标准值 外形尺寸 (参考值) 连接尺寸 (标准值) 重量 (kg)
L H Dd343H Dd643H Dd943H PN1.6MPa PN2.5MPa
毫米 英寸 H1 A1 B1 H2 A2 B2 H3 A3 B3 D D1 Z-d D D1 Z-d
50 2 108 150 112 350 180 200 625 245 72 530 250 255 165 125 4-18 165 125 4-18 19
65 21/2 112 170 115 370 180 200 625 245 72 530 250 255 185 145 4-18 185 145 8-18 22
80 3 114 180 120 380 180 200 645 245 72 565 250 255 200 160 8-18 200 160 8-18 25
100 4 127 190 138 420 180 200 675 355 92 600 250 255 220 180 8-18 235 190 8-22 28
125 5 140 200 164 460 180 200 715 355 92 640 250 255 250 210 8-18 270 220 8-26 43
150 6 140 210 175 555 270 280 800 355 92 705 300 315 285 240 8-22 300 250 8-26 50
200 8 152 230 200 760 400 425 850 250 170 775 300 315 340 295 12-22 360 310 12-26 64
250 10 165 250 243 830 400 425 925 250 170 945 300 315 405 355 12-26 425 370 12-30 99
300 12 178 270 250 895 450 560 1035 450 220 1070 300 315 460 410 12-26 485 430 16-30 130
350 14 190 290 280 950 450 560 1070 450 220 1140 300 315 520 470 16-26 555 490 16-33 188
400 16 216 310 305 1190 535 580 1190 450 220 1210 300 315 580 525 16-30 620 550 16-36 270
450 18 222 330 350 1255 535 580 1250 650 280 1335 575 714 640 585 20-30 670 600 20-36 350
500 20 229 350 380 1305 535 580 1290 650 280 1415 575 714 715 650 20-33 730 660 20-36 375
600 24 267 390 445 1340 570 660 1455 850 380 1605 656 810 840 770 20-36 845 770 20-39 560
700 28 292 430 480 1520 750 550 1585 850 380 1844 656 810 910 840 24-36 960 875 24-42 610
800 32 318 470 530 1710 750 550 1700 1250 380 2040 656 810 1025 950 24-39 1085 990 24-48 880
900 36 330 510 580 1810 750 550 1865 1250 380 2255 785 863 1125 1050 28-39 1185 1090 28-48 1100
1000 40 410 550 650 1960 900 750 2015 1250 380 2380 785 863 1255 1170 28-42 1320 1210 28-56 1600
1200 48 470 630 760 2250 1000 925 2250 1250 380 2640 785 863 1485 1390 32-48 1530 1420 32-56 2150
1400 56 530 710 850 2435 1000 925 2886 1685 1590 36-48 1755 1640 36-62 3200
1600 64 600 790 1030 2780 1000 925 3156 1930 1820 40-56 1975 1860 40-62 5000
1800 72 670 870 1230 3020 1100 980 3421 2130 2020 44-56 2195 2070 44-70 6900
2000 80 760 950 1350 3270 1100 980 3685 2345 2230 48-62 2425 2300 48-70 9100

Dd
3
6
9
43H- 40C.P.R.V系列法兰式多层次金属硬密封蝶阀
公称通径 结构长度 (标准值) 外形尺寸 (参考值) 连接尺寸 (标准值)
L H Dd343H Dd643H Dd943H PN4.0MPa
毫米 英寸 H1

A1

B1 H2 A2 B2 H3 A3 B3 D D1 Z-d
50 2 108 150 112 350 180 200 625 250 170 530 250 255 165 125 4-18
65 21/2 112 170 115 370 270 280 625 250 170 530 250 255 185 145 8-18
80 3 114 180 120 380 270 280 645 250 170 565 250 255 200 160 8-18
100 4 127 190 138 420 270 280 675 250 170 600 250 255 235 190 8-22
125 5 140 200 164 460 380 420 715 450 220 640 250 255 270 220 8-26
150 6 140 210 175 555 380 420 800 450 220 705 300 315 300 250 8-26
200 8 152 230 200 760 400 425 850 450 220 775 300 315 375 320 12-30
250 10 165 250 243 830 400 425 925 450 280 945 300 315 450 385 12-33
300 12 178 270 250 895 450 560 1035 650 280 1070 300 315 515 450 16-33
350 14 190 290 280 950 450 560 1070 650 280 1140 300 315 580 510 16-36
400 16 216 210 305 1190 535 580 1190 650 280 1210 300 315 660 585 16-39
450 18 222 330 350 1255 535 580 1335 575 714 685 610 20-39
500 20 229 350 380 1305 535 580 1415 575 714 755 670 20-42

注:法兰标准:GB/T9113.1-2000 GB/T911.5.1-2000
用户注意:表中H1、H2、H3尺寸均可根据用户需要加长(长杆蝶阀),若需特殊材料定货时提出。
注:Dd-代表多层次密封结构