静音止回阀(DRVZ)
 |
 |
| 静音止回阀(DRVZ) |
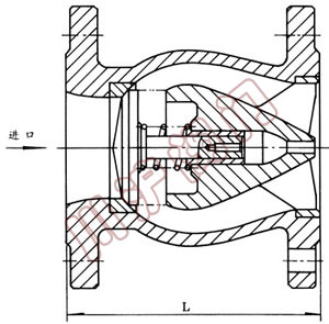
静音止回阀(DRVZ) 结构图 |
一、静音止回阀(DRVZ) 结构及用途
该阀由阀体、阀座、导流体、阀瓣、轴瓦及弹簧等零件组成。内部流道采用流线型设计,压力损失小,阀瓣启闭行程很短,停泵时可快速关闭,防止巨大的水锤声,形成静音效果。该阀主要用于给水、排水、消防、暖通系统,可安装于水泵出口处,防止介质倒流及水锤对泵的损坏。
二、静音止回阀(DRVZ) 主要技术参数
| 公称压力 |
1.0 |
1.6 |
2.5 |
| 高工作压力 |
1.0 |
1.6 |
2.5 |
| 密封试验压力 |
1.1 |
1.76 |
2.75 |
| 壳体试验压力 |
1.5 |
2.4 |
3.75 |
| 适用介质 |
水 |
| 介质温度 |
X<80℃, T≤150℃, H≤200℃ |
三、静音止回阀(DRVZ) 主要外形尺寸
| 公称通径 |
L |
| 50 |
120 |
| 65 |
150 |
| 80 |
180 |
| 100 |
240 |
| 125 |
300 |
| 150 |
350 |
| 200 |
450 |
| 250 |
500 |
| 300 |
550 |
| 350 |
572 |
| 400 |
600 |
| 450 |
650 |
| 500 |
700 |
四、静音止回阀(DRVZ) 主要零件材料
| 零件名称 |
材料 |
| 阀体、导流体 |
铸铁、铸钢 |
| 阀座、轴瓦、阀瓣、轴 |
青铜或不锈钢 |
| 弹簧 |
不锈钢 |
法兰连接尺寸:铁制阀门按GB4216.4(5)-84标准,钢制阀门按GB/T9113.1-2000(RF)标准。